13516032437
首页
家用中央空调
分体空调
商用多联机
风冷模块
关于我们
解决方案
联系我们
经典案例
新闻资讯
预约服务
热门关键词:
系列
家用中央空调
商用多联机
注意
智能
一拖四
制热
说明书
工业化工
合适
您的位置:
格力中央空调
>
产品中心
>
格力产品说明书
产品中心
家用中央空调
starIII-明星款 全面守护
别墅|舒睿|铂韵|全能|free
智睿系列-变频变容 用电省半
温控器|遥控器|线控器|灯板
颐居系列-小机身大能力
风管机|吸顶空调|壁挂室内机
分体空调
挂壁空调
立式空调|柜式空调
格力儿童空调
移动空调|窗式空调
商用多联机
风冷模块
新风净化机
精密|特种|防爆
特种空调系列
精密空调系列
格力防爆空调
格力产品说明书
咨询热线
1
/1
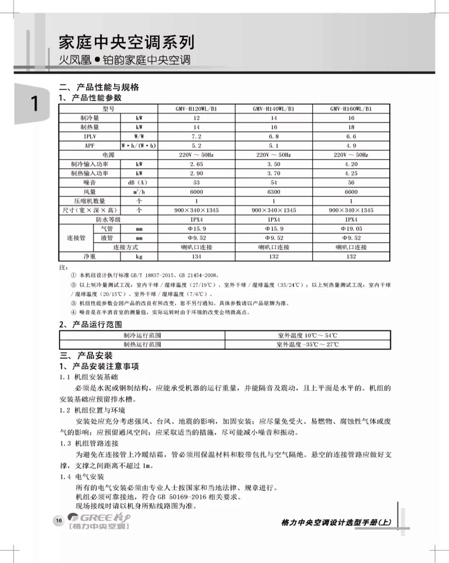
火凤凰铂韵系列格力家用中央空调说明书(室外机)
火凤凰铂韵家用中央空调是采用了多缸变容变频喷气增焓压缩机的多联机,该系列制冷综合能效IPLV(C)高达7.20W/W,获得超五星能效认证,并且全年季节能效指标高达5.20,远超国家一级节能标准
热品推荐
/ Hot product
服务热线
13516032437
预约服务
微信扫一扫
返回顶部