13516032437

咨询热线

1/1
舒睿多效性家庭中央空调室外机说明书
使用格力舒睿系列家用中央空调的业主安装维修师傅们注意啦,沈阳格力董明珠店为您附上了舒睿系列家用中央空调室外机说明书,欢迎使用查阅

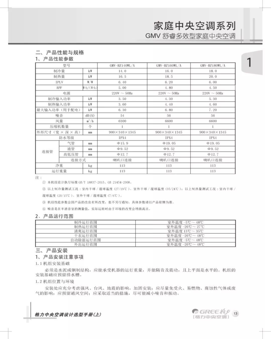
GMV 舒睿多效型格力家用中央空调机组是格力新一代变频多联空调机组,机组容量范围为14.0~18.0KW,主要用于家居场所,别墅,小型办公楼等,在Star系列的基础上,增加温湿双控技术,满足不同场所、不同人群对空气温度、湿度的双重需求,提高了用户对空调舒适性的体验,室外机可与普通风管机、三管制风管机自由搭配,机组兼容性强注:(1)本机组设计执行标准:GB/T 18837-2015,GB 21454-2008         (2)以上制冷量测试工况:室内干球/湿球温度(27/19℃)、室外干球/湿球温度(35/24℃);以上制热量测试工况:室内干球/湿球温度(20/15℃),/室外干球/湿球温度(7/6℃)         (3)机组性能参数会因产品的改良有所改变,恕不另行通知。具体参数请以产品铭牌为准。         (4)嗓音是在半消音的测量值,实际运转时由于环境的改变会稍微高点。机组管路连接:为避免在连接管上冷凝结露,管必须用保温材料和胶带包扎与空气隔绝,悬空的连接管路应做好支撑,支撑之间距离不超过1m

热品推荐 / Hot product